
13072058772













一、 概 述SD系列角行程電動執行器是本公司采用和吸收法國伯納德公司技術生產制造的。SD 系列電動執行機構是工業過程 測量和控制系統的終端控制裝置,它能夠將系統的控制信號(模擬信號或斷續信號)轉換成機械位移(角位移、多轉角位 移或直線位移),同時輸出轉矩或推力,以控制閥門的開度或控制其它調節機構,使被控介質按系統規定的 狀態工作。 角行程電動執行機構用于驅動 90°轉角的閥門,如蝶閥、球閥、百頁閥、風門、旋塞閥、擋板閥等。 SD系列角行程電動執行機構安全可靠、品種規格多、精度高 、功能齊全、重量輕、安裝、調試、操作、維修方便, 具有 90 年代國際水平,已廣泛應用在能源、冶金、石油、輕工、化工、建材等行業,在工業過程檢測和控制系統中 發揮重要作用。
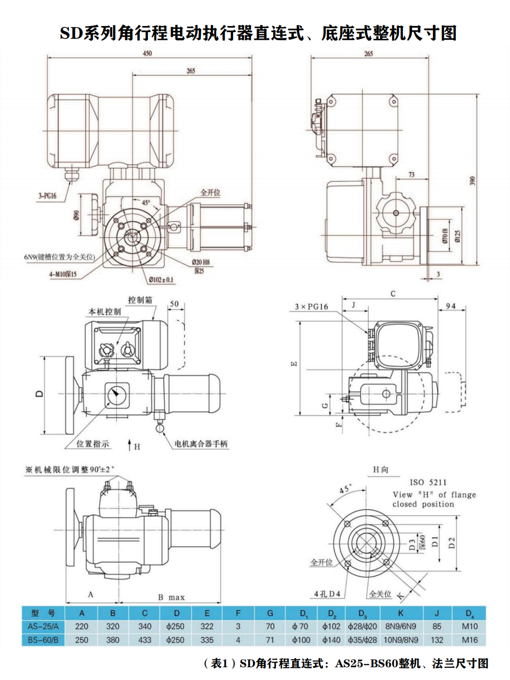
二、 產品分類 SD 系列整體式比例調節型角行程伯納德電動執行器安裝形式分成兩類: 直聯式—執行機構通過輸出端的法蘭與閥門等調節機構直接連接。 底座式—執行機構安裝在一個基礎底座上,通過輸出臂及杠桿與閥門等調節機構連接。 整體式比例調節型—即執行器與位置定位板 GamX 組裝成一體在現場安裝。
三、 產品的用途與使用環境
3.1 用途SD 系列電動執行機構是自動調節系統中的終端控制裝置,它接收來自調節器或計算機的 4~20mA(或 1~5V) 模擬量信號及斷續接點控制信號,輸出力矩或力,自動地操縱調節機構,完成調節任務。它也可以通過電動操作器實 現“手動—自動"轉換,切換到手動時,用操作器可對執行機構進行遠方控制。
3.2 電源電壓: 單相 220V±10% ~50HZ 三相 380V±10% ~50HZ
3.3 環境溫度與濕度 溫度:整體式-10~+55℃ 分立式-20~+70℃
3.4 相對濕度:不大于 85% 3.5 介質:執行機構周圍無腐蝕性的介質。
四、 主要的技術性能及參數
4.1 輸入信號: 4~20 mA DC
4.2 輸入通道:整體式:1 個通道 分立式:3 個通道
4.3 輸入電阻: 250Ω
4.4 基本誤差:不超過額定行程的±2.5% 1
4.5 回差:不超過額定行程的±1.5%
4.6 額定行程的時間誤差:不超過額定行程時間的±20%
4.7 死區: 3%
4.8 阻尼特性:無擺動,兩個半周期
4.9 絕緣電阻:在環境溫度為 10~35℃,相對濕度不大于 85% 條件下輸入、輸出端子分別對地之間的絕緣電阻不 小于 20MΩ,電源端子對輸入端子間的絕緣電阻不小于 50 MΩ。
4.10 防護等級:符合 IEC145 IP65(規定的要求,分立式 GamX 為室內安裝的除外
4.11 工作制:斷續工作制,持續率為 50%。 注:以上技術性能主要指比例調節型電動執行機構,對于遠控型及開關型 1、2、3、4、5、6 項不涉及。
五、 結構特點與工作原理
5.1 執行機構的結構特點 執行機構主要由電動機(單相或三相)、減速器、開關控制箱、機械限位裝置、和手輪等組成。 5.1.1 電動機是執行機構的動力裝置。 該電動機具有良好的伺服特性,即具有高起動力矩倍數、低起動電流和較小的轉動慣量。在電動機定子內 部裝有溫度開關作過熱保護,當電動機出現異常過熱時,該開關斷開即控制電動機的電路斷開,從而保護電動機和 執行機構不被燒毀。當電機冷卻下來以后開關恢復接通,電動機恢復工作。
5.1.2 減速器一般由三級減速組成(多轉一般只有兩級),第一、二級采用體積小、傳動比大、效率高的行星齒輪傳動, 部分減速器第二級為斜齒輪傳動,最后一級采用減速比大并具有自鎖性能的蝸輪、蝸桿或絲桿螺母傳動。 不大于 600Nm 的角行程執行機構的減速器,其高速級為兩級行星齒輪傳動,輸出級為蝸桿傳動。多轉執行 機構的減速器高速級為行星齒輪傳動,輸出級為斜齒輪傳動。 不小于 1000Nm 的角行程執行機構的減速器由多轉執行機構減速器配蝸輪、蝸桿減速器組成。
電話:13072058772
郵箱:tjbndzxq@163.com
地址:北京市豐臺區西道口1號6幢606 廠址:天津市北辰區西堤頭鎮??德啡A北智匯產業園
網址:http://www.ebwatch.com.cn